OEM ЗАПЧАСТИ

  info@automotohub.ru   8 (916) 294-84-77
  О Компании   Оплата и Доставка   Помощь   Обратная связь

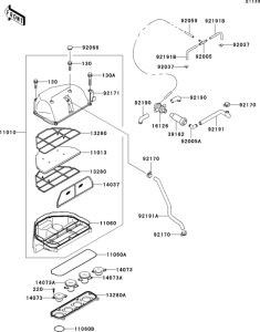
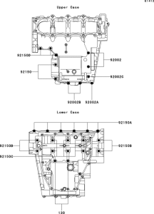
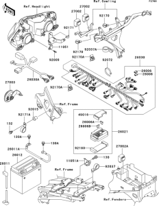
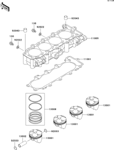
Запчасти для мотоциклов Kawasaki ZX636 Ninja ZX-6R

Год: 2002  •  Код модели: ZX636-A1P  •  Объем двигателя: 636
Запчасти для мотоциклов Kawasaki ZX636 Ninja ZX-6R
Выбирайте узел вашей техники:


{modalWnd}