OEM ЗАПЧАСТИ

  info@automotohub.ru   8 (916) 294-84-77
  О Компании   Оплата и Доставка   Помощь   Обратная связь

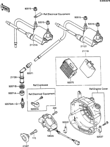
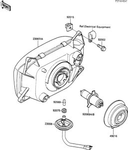
Запчасти для мотоциклов Kawasaki ZX600 GPZ600R

Год: 1989  •  Код модели: ZX600-A5A  •  Объем двигателя: 600
Запчасти для мотоциклов Kawasaki ZX600 GPZ600R
Выбирайте узел вашей техники:


{modalWnd}