OEM ЗАПЧАСТИ

  info@automotohub.ru   8 (916) 294-84-77
  О Компании   Оплата и Доставка   Помощь   Обратная связь

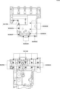
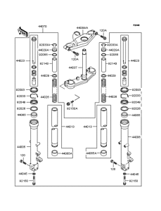
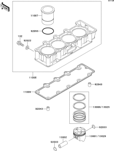
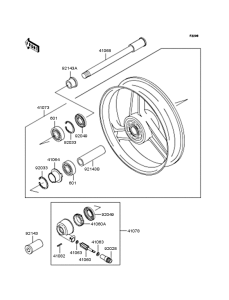
Запчасти для мотоциклов Kawasaki ZX400 ZXR400

Год: 1993  •  Код модели: ZX400-L3  •  Объем двигателя: 400
Запчасти для мотоциклов Kawasaki ZX400 ZXR400
Выбирайте узел вашей техники:


{modalWnd}