OEM ЗАПЧАСТИ

  info@automotohub.ru   8 (916) 294-84-77
  О Компании   Оплата и Доставка   Помощь   Обратная связь

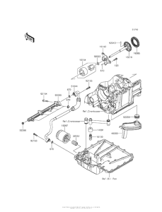
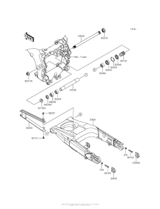
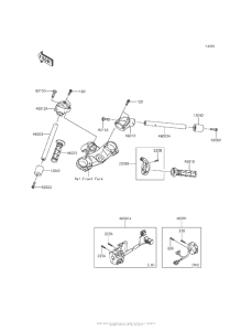
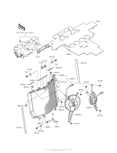
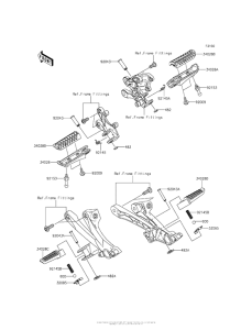
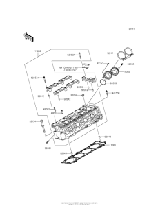
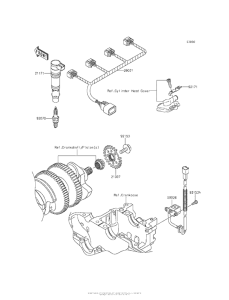
Запчасти для мотоциклов Kawasaki ZX1400 Ninja ZX-14R ABS 30TH

Год: 2015  •  Код модели: ZX1400FFFB  •  Объем двигателя: 1400
Запчасти для мотоциклов Kawasaki ZX1400 Ninja ZX-14R ABS 30TH
Выбирайте узел вашей техники:


{modalWnd}