OEM ЗАПЧАСТИ

  info@automotohub.ru   8 (916) 294-84-77
  О Компании   Оплата и Доставка   Помощь   Обратная связь

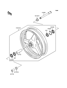
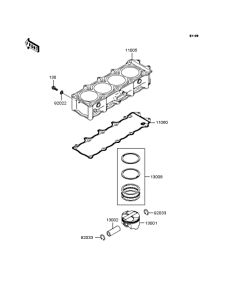
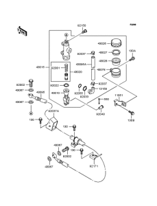
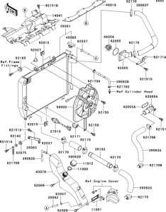
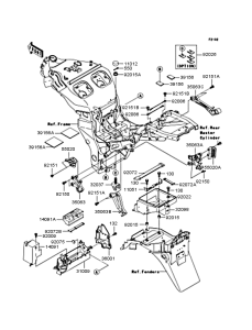
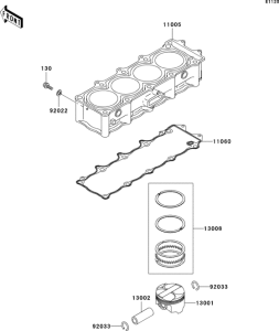
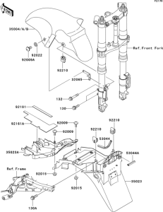
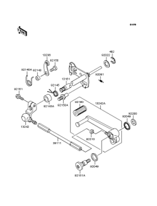
Запчасти для мотоциклов Kawasaki ZX1200 Ninja ZX-12R

Год: 2000  •  Код модели: ZX1200-A1  •  Объем двигателя: 1200
Запчасти для мотоциклов Kawasaki ZX1200 Ninja ZX-12R
Выбирайте узел вашей техники:


{modalWnd}