OEM ЗАПЧАСТИ

  info@automotohub.ru   8 (916) 294-84-77
  О Компании   Оплата и Доставка   Помощь   Обратная связь

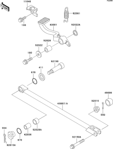
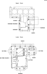
Запчасти для мотоциклов Kawasaki ZX1100 ZZ-R1100

Год: 1995  •  Код модели: ZX1100-D3  •  Объем двигателя: 1100
Запчасти для мотоциклов Kawasaki ZX1100 ZZ-R1100
Выбирайте узел вашей техники:


{modalWnd}