OEM ЗАПЧАСТИ

  info@automotohub.ru   8 (916) 294-84-77
  О Компании   Оплата и Доставка   Помощь   Обратная связь

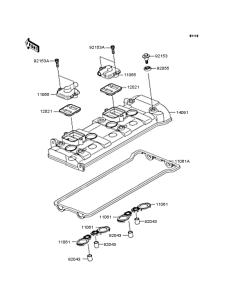
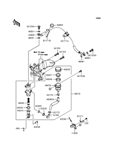
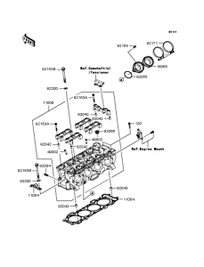
Запчасти для мотоциклов Kawasaki ZX1000 Ninja ZX-10R

Год: 2009  •  Код модели: ZX1000E9FA  •  Объем двигателя: 1000
Запчасти для мотоциклов Kawasaki ZX1000 Ninja ZX-10R
Выбирайте узел вашей техники:


{modalWnd}