OEM ЗАПЧАСТИ

  info@automotohub.ru   8 (916) 294-84-77
  О Компании   Оплата и Доставка   Помощь   Обратная связь

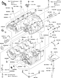
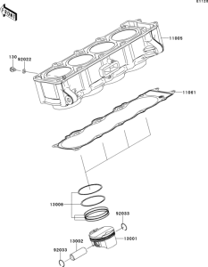
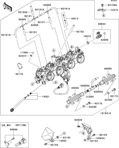
Запчасти для мотоциклов Kawasaki ZR800 Z800 ABS

Год: 2013  •  Код модели: ZR800BDS  •  Объем двигателя: 800
Запчасти для мотоциклов Kawasaki ZR800 Z800 ABS
Выбирайте узел вашей техники:


{modalWnd}