OEM ЗАПЧАСТИ

  info@automotohub.ru   8 (916) 294-84-77
  О Компании   Оплата и Доставка   Помощь   Обратная связь

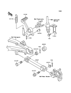
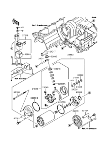
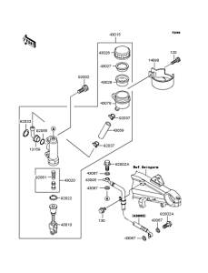
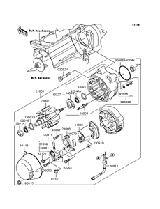
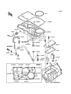
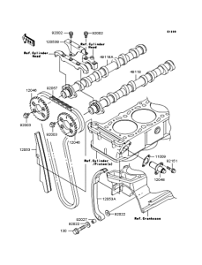
Запчасти для мотоциклов Kawasaki ZR1200 ZRX1200S

Год: 2003  •  Код модели: ZR1200-B3  •  Объем двигателя: 1200
Запчасти для мотоциклов Kawasaki ZR1200 ZRX1200S
Выбирайте узел вашей техники:


{modalWnd}