OEM ЗАПЧАСТИ

  info@automotohub.ru   8 (916) 294-84-77
  О Компании   Оплата и Доставка   Помощь   Обратная связь

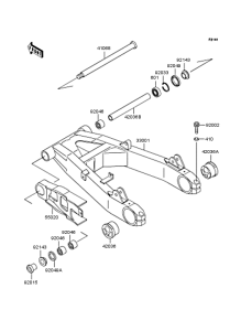
Запчасти для мотоциклов Kawasaki ZR1100 Zephyr 1100

Год: 1995  •  Код модели: ZR1100-A4  •  Объем двигателя: 1100
Запчасти для мотоциклов Kawasaki ZR1100 Zephyr 1100
Выбирайте узел вашей техники:


{modalWnd}