OEM ЗАПЧАСТИ

  info@automotohub.ru   8 (916) 294-84-77
  О Компании   Оплата и Доставка   Помощь   Обратная связь

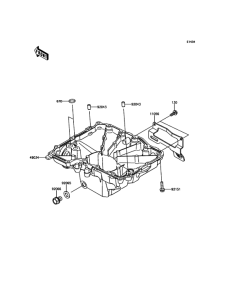
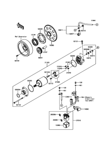
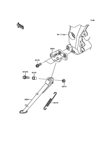
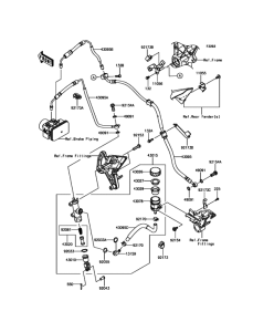
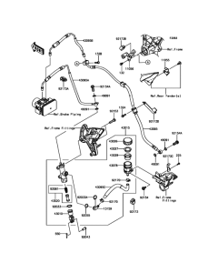
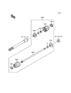
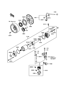
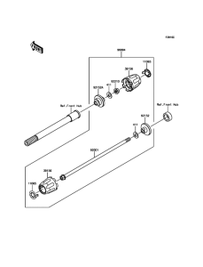
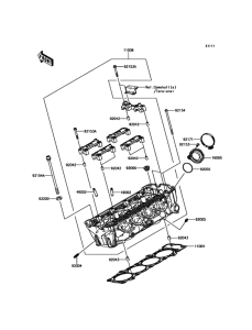
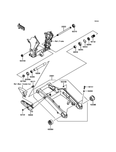
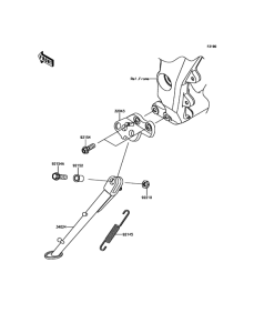
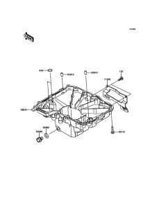
Запчасти для мотоциклов Kawasaki ZR1000 Z1000 ABS

Год: 2017  •  Код модели: ZR1000JHF  •  Объем двигателя: 1000
Запчасти для мотоциклов Kawasaki ZR1000 Z1000 ABS
Выбирайте узел вашей техники:


{modalWnd}