OEM ЗАПЧАСТИ

  info@automotohub.ru   8 (916) 294-84-77
  О Компании   Оплата и Доставка   Помощь   Обратная связь

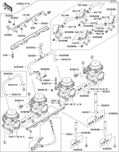
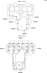
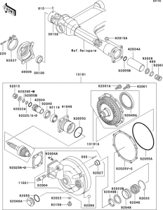
Запчасти для мотоциклов Kawasaki ZL600 Eliminator

Год: 1995  •  Код модели: ZL600-B1  •  Объем двигателя: 600
Запчасти для мотоциклов Kawasaki ZL600 Eliminator
Выбирайте узел вашей техники:


{modalWnd}