OEM ЗАПЧАСТИ

  info@automotohub.ru   8 (916) 294-84-77
  О Компании   Оплата и Доставка   Помощь   Обратная связь

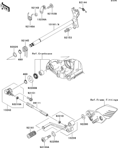
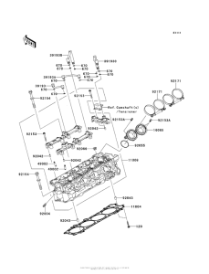
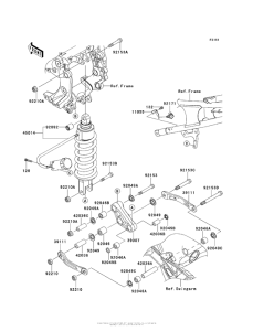
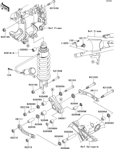
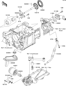
Запчасти для мотоциклов Kawasaki ZG1400 Concours 14

Год: 2010  •  Код модели: ZG1400DAF  •  Объем двигателя: 1400
Запчасти для мотоциклов Kawasaki ZG1400 Concours 14
Выбирайте узел вашей техники:


{modalWnd}