OEM ЗАПЧАСТИ

  info@automotohub.ru   8 (916) 294-84-77
  О Компании   Оплата и Доставка   Помощь   Обратная связь

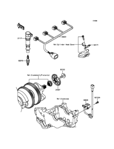
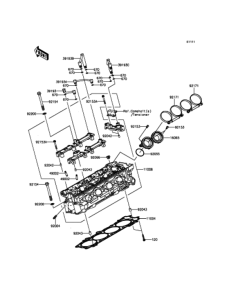
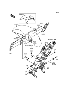
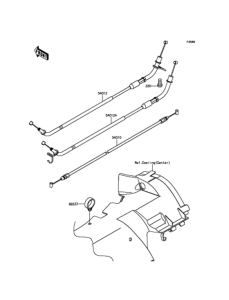
Запчасти для мотоциклов Kawasaki ZG1400 Concours 14 ABS

Год: 2015  •  Код модели: ZG1400EFF  •  Объем двигателя: 1400
Запчасти для мотоциклов Kawasaki ZG1400 Concours 14 ABS
Выбирайте узел вашей техники:


{modalWnd}