OEM ЗАПЧАСТИ

  info@automotohub.ru   8 (916) 294-84-77
  О Компании   Оплата и Доставка   Помощь   Обратная связь

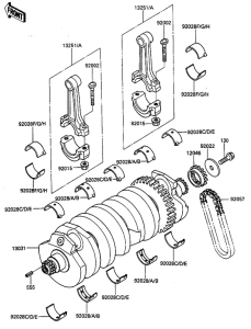
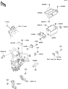
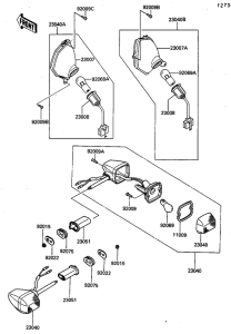
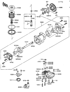
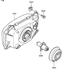
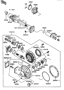
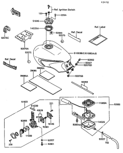
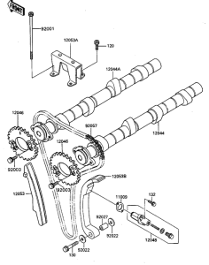
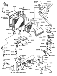
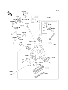
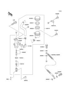
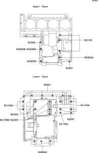
Запчасти для мотоциклов Kawasaki ZG1000 1000GTR

Год: 2000  •  Код модели: ZG1000-A15  •  Объем двигателя: 1000
Запчасти для мотоциклов Kawasaki ZG1000 1000GTR
Выбирайте узел вашей техники:


{modalWnd}