OEM ЗАПЧАСТИ

  info@automotohub.ru   8 (916) 294-84-77
  О Компании   Оплата и Доставка   Помощь   Обратная связь

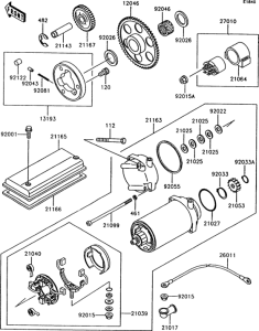
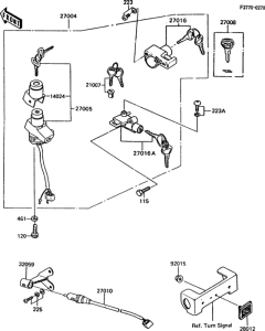
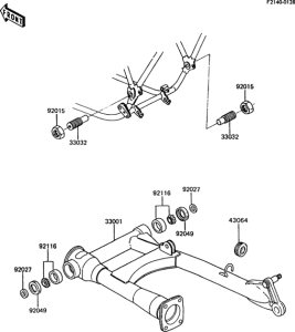
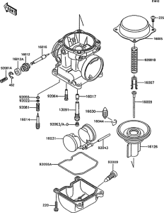
Запчасти для мотоциклов Kawasaki Z750 GT750

Год: 1992  •  Код модели: Z750-P7  •  Объем двигателя: 750
Запчасти для мотоциклов Kawasaki Z750 GT750
Выбирайте узел вашей техники:


{modalWnd}