OEM ЗАПЧАСТИ

  info@automotohub.ru   8 (916) 294-84-77
  О Компании   Оплата и Доставка   Помощь   Обратная связь

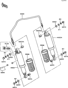
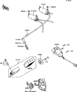
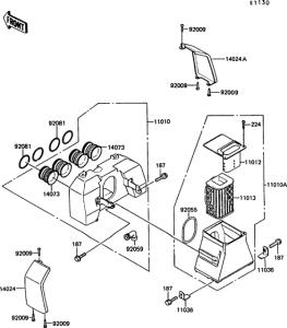
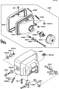
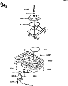
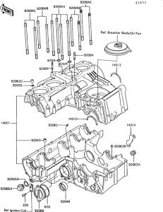
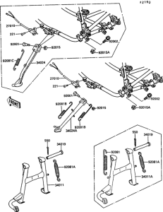
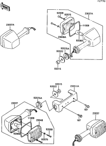
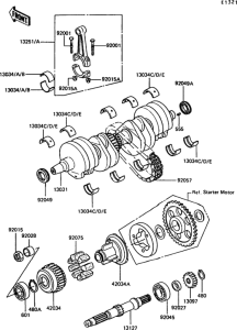
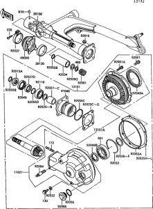
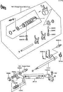
Запчасти для мотоциклов Kawasaki Z550 GT550

Год: 1989  •  Код модели: Z550-G6  •  Объем двигателя: 550
Запчасти для мотоциклов Kawasaki Z550 GT550
{modalWnd}