OEM ЗАПЧАСТИ

  info@automotohub.ru   8 (916) 294-84-77
  О Компании   Оплата и Доставка   Помощь   Обратная связь

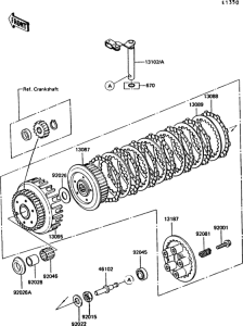
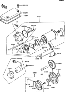
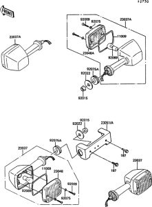
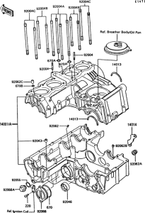
Запчасти для мотоциклов Kawasaki Z550 GT550

Год: 1987  •  Код модели: Z550-G4  •  Объем двигателя: 550
Запчасти для мотоциклов Kawasaki Z550 GT550
Выбирайте узел вашей техники:


{modalWnd}