OEM ЗАПЧАСТИ

  info@automotohub.ru   8 (916) 294-84-77
  О Компании   Оплата и Доставка   Помощь   Обратная связь

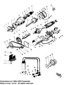
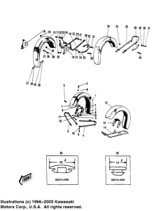
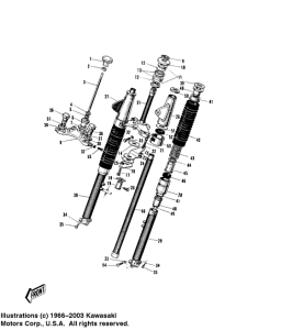
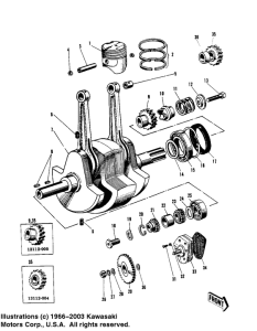
Запчасти для мотоциклов Kawasaki W2 Commander

Год: 1969  •  Код модели: W2  •  Объем двигателя: 650
Запчасти для мотоциклов Kawasaki W2 Commander
Выбирайте узел вашей техники:


{modalWnd}