OEM ЗАПЧАСТИ

  info@automotohub.ru   8 (916) 294-84-77
  О Компании   Оплата и Доставка   Помощь   Обратная связь

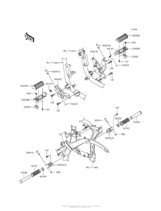
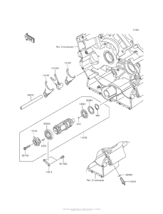
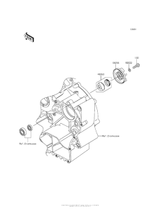
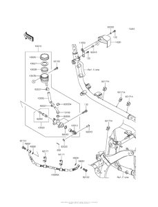
Запчасти для мотоциклов Kawasaki VN900 Vulcan 900 Custom

Год: 2012  •  Код модели: VN900CCFA  •  Объем двигателя: 900
Запчасти для мотоциклов Kawasaki VN900 Vulcan 900 Custom
Выбирайте узел вашей техники:


{modalWnd}