OEM ЗАПЧАСТИ

  info@automotohub.ru   8 (916) 294-84-77
  О Компании   Оплата и Доставка   Помощь   Обратная связь

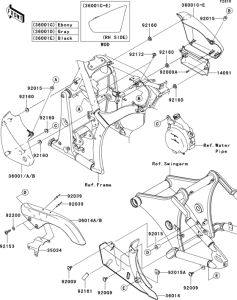
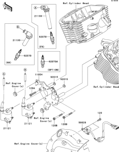
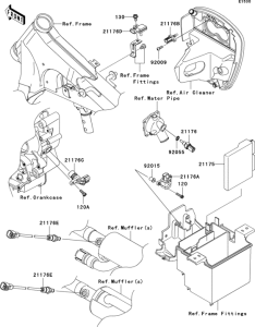
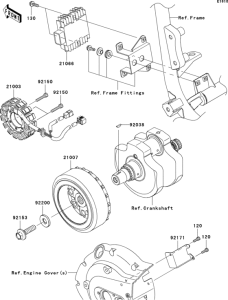
Запчасти для мотоциклов Kawasaki VN900 Classic

Год: 2011  •  Код модели: VN900BBFA  •  Объем двигателя: 900
Запчасти для мотоциклов Kawasaki  VN900 Classic
Выбирайте узел вашей техники:


{modalWnd}