OEM ЗАПЧАСТИ

  info@automotohub.ru   8 (916) 294-84-77
  О Компании   Оплата и Доставка   Помощь   Обратная связь

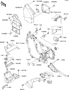
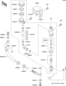
Запчасти для мотоциклов Kawasaki VN800 Vulcan 800 Drifter

Год: 2000  •  Код модели: VN800-C2  •  Объем двигателя: 800
Запчасти для мотоциклов Kawasaki VN800 Vulcan 800 Drifter
Выбирайте узел вашей техники:


{modalWnd}