OEM ЗАПЧАСТИ

  info@automotohub.ru   8 (916) 294-84-77
  О Компании   Оплата и Доставка   Помощь   Обратная связь

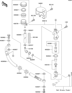
Запчасти для мотоциклов Kawasaki VN800 Vulcan 800 Drifter

Год: 2001  •  Код модели: VN800-E1  •  Объем двигателя: 800
Запчасти для мотоциклов Kawasaki VN800 Vulcan 800 Drifter
Выбирайте узел вашей техники:


{modalWnd}