OEM ЗАПЧАСТИ

  info@automotohub.ru   8 (916) 294-84-77
  О Компании   Оплата и Доставка   Помощь   Обратная связь

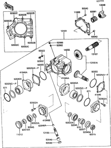
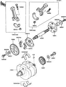
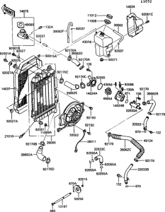
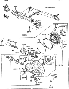
Запчасти для мотоциклов Kawasaki VN750 Twin

Год: 1988  •  Код модели: VN750-A4  •  Объем двигателя: 750
Запчасти для мотоциклов Kawasaki  VN750 Twin
{modalWnd}