OEM ЗАПЧАСТИ

  info@automotohub.ru   8 (916) 294-84-77
  О Компании   Оплата и Доставка   Помощь   Обратная связь

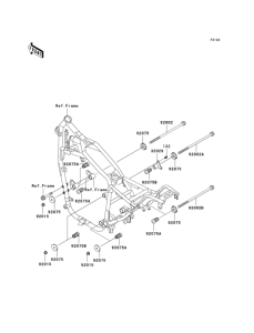
Запчасти для мотоциклов Kawasaki VN750 Vulcan 750

Год: 2000  •  Код модели: VN750-A16  •  Объем двигателя: 750
Запчасти для мотоциклов Kawasaki VN750 Vulcan 750
Выбирайте узел вашей техники:


{modalWnd}