OEM ЗАПЧАСТИ

  info@automotohub.ru   8 (916) 294-84-77
  О Компании   Оплата и Доставка   Помощь   Обратная связь

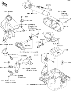
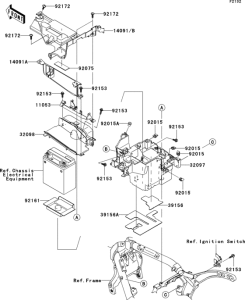
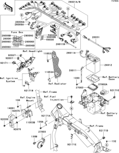
Запчасти для мотоциклов Kawasaki VN2000

Год: 2004  •  Код модели: VN2000-A1H  •  Объем двигателя: 2000
Запчасти для мотоциклов Kawasaki  VN2000
Выбирайте узел вашей техники:


{modalWnd}