OEM ЗАПЧАСТИ

  info@automotohub.ru   8 (916) 294-84-77
  О Компании   Оплата и Доставка   Помощь   Обратная связь

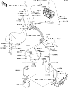
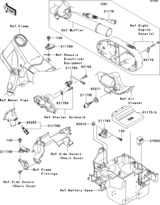
Запчасти для мотоциклов Kawasaki VN2000 Vulcan 2000 Limited

Год: 2006  •  Код модели: VN2000D6F  •  Объем двигателя: 2000
Запчасти для мотоциклов Kawasaki VN2000 Vulcan 2000 Limited
Выбирайте узел вашей техники:


{modalWnd}