OEM ЗАПЧАСТИ

  info@automotohub.ru   8 (916) 294-84-77
  О Компании   Оплата и Доставка   Помощь   Обратная связь

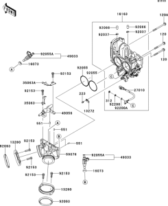
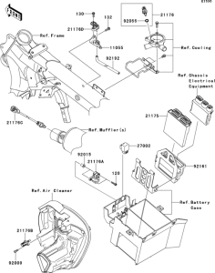
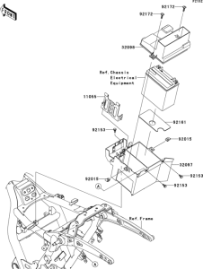
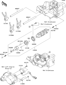
Запчасти для мотоциклов Kawasaki VN1700 Vulcan 1700 Voyager Custom ABS

Год: 2011  •  Код модели: VN1700KBF  •  Объем двигателя: 1700
Запчасти для мотоциклов Kawasaki VN1700 Vulcan 1700 Voyager Custom ABS
Выбирайте узел вашей техники:


{modalWnd}