OEM ЗАПЧАСТИ

  info@automotohub.ru   8 (916) 294-84-77
  О Компании   Оплата и Доставка   Помощь   Обратная связь

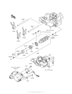
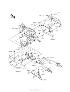
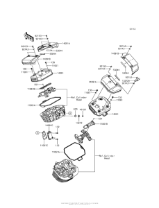
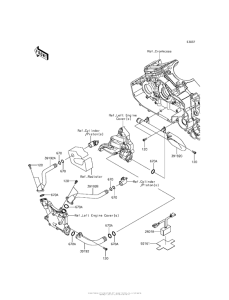
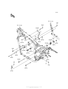
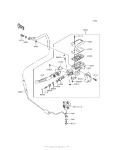
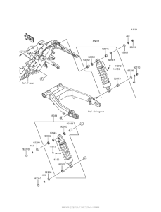
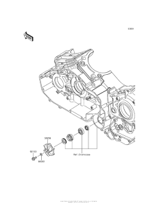
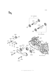
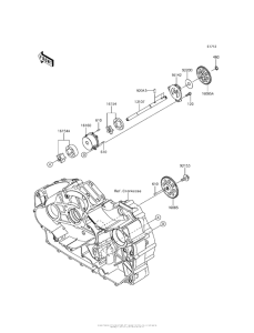
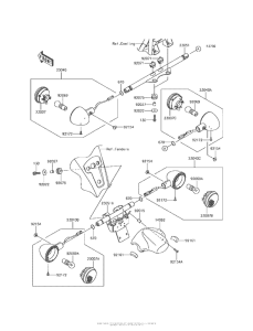
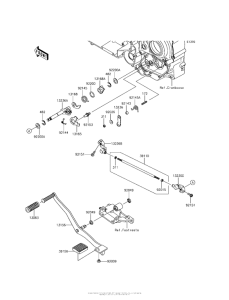
Запчасти для мотоциклов Kawasaki VN1700 Vulcan 1700 Voyager ABS

Год: 2017  •  Код модели: VN1700BHF  •  Объем двигателя: 1700
Запчасти для мотоциклов Kawasaki VN1700 Vulcan 1700 Voyager ABS
Выбирайте узел вашей техники:


{modalWnd}