OEM ЗАПЧАСТИ

  info@automotohub.ru   8 (916) 294-84-77
  О Компании   Оплата и Доставка   Помощь   Обратная связь

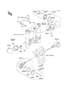
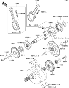
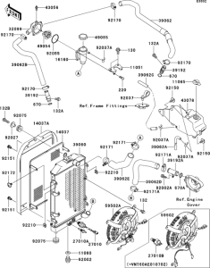
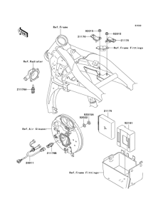
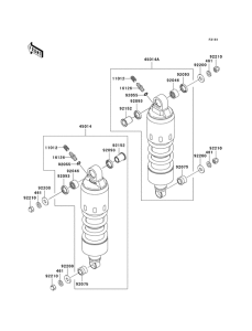
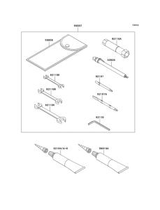
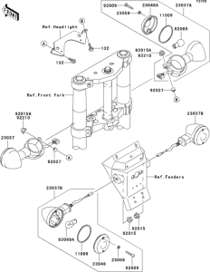
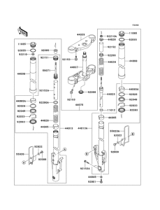
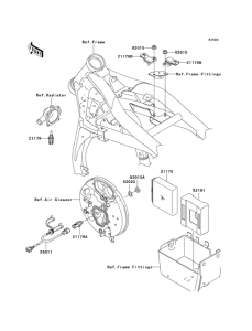
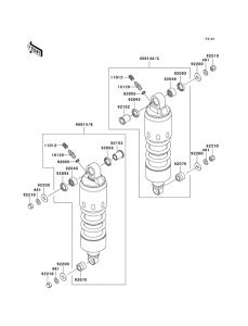
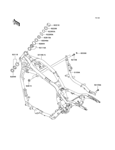
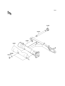
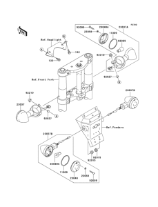
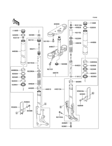
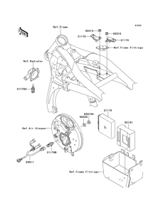
Запчасти для мотоциклов Kawasaki VN1600 Vulcan 1600 Mean Streak

Год: 2004  •  Код модели: VN1600-B1  •  Объем двигателя: 1600
Запчасти для мотоциклов Kawasaki VN1600 Vulcan 1600 Mean Streak
Выбирайте узел вашей техники:


{modalWnd}