OEM ЗАПЧАСТИ

  info@automotohub.ru   8 (916) 294-84-77
  О Компании   Оплата и Доставка   Помощь   Обратная связь

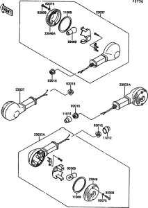
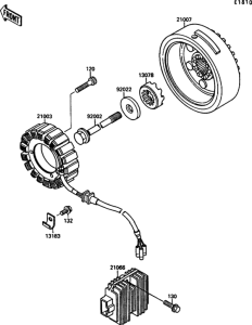
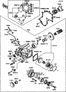
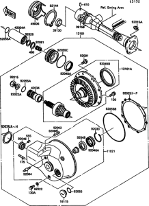
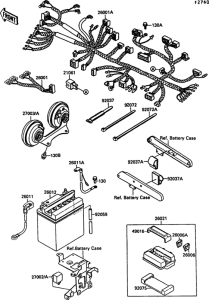
Запчасти для мотоциклов Kawasaki VN1500 VN-15

Год: 1990  •  Код модели: VN1500-A4  •  Объем двигателя: 1500
Запчасти для мотоциклов Kawasaki VN1500 VN-15
{modalWnd}