OEM ЗАПЧАСТИ

  info@automotohub.ru   8 (916) 294-84-77
  О Компании   Оплата и Доставка   Помощь   Обратная связь

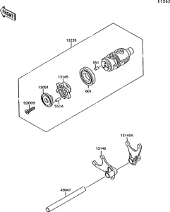
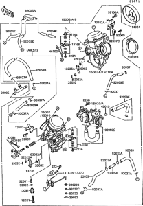
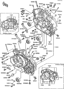
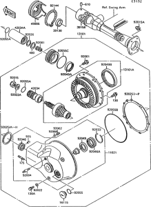
Запчасти для мотоциклов Kawasaki VN1500 VN-15

Год: 1995  •  Код модели: VN1500-C2  •  Объем двигателя: 1500
Запчасти для мотоциклов Kawasaki VN1500 VN-15
Выбирайте узел вашей техники:


{modalWnd}