OEM ЗАПЧАСТИ

  info@automotohub.ru   8 (916) 294-84-77
  О Компании   Оплата и Доставка   Помощь   Обратная связь

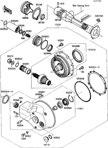
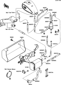
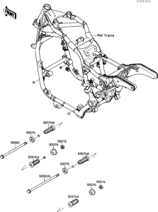
Запчасти для мотоциклов Kawasaki VN1500 Vulcan 88

Год: 1988  •  Код модели: VN1500-A2  •  Объем двигателя: 1500
Запчасти для мотоциклов Kawasaki VN1500 Vulcan 88
{modalWnd}