OEM ЗАПЧАСТИ

  info@automotohub.ru   8 (916) 294-84-77
  О Компании   Оплата и Доставка   Помощь   Обратная связь

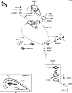
Запчасти для мотоциклов Kawasaki VN1500 Drifter

Год: 2000  •  Код модели: VN1500-J2  •  Объем двигателя: 1500
Запчасти для мотоциклов Kawasaki  VN1500 Drifter
Выбирайте узел вашей техники:


{modalWnd}