OEM ЗАПЧАСТИ

  info@automotohub.ru   8 (916) 294-84-77
  О Компании   Оплата и Доставка   Помощь   Обратная связь

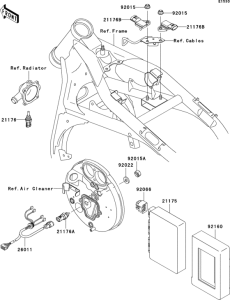
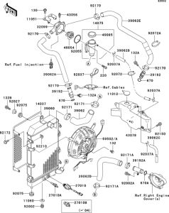
Запчасти для мотоциклов Kawasaki VN1500 Vulcan 1500 Drifter

Год: 2001  •  Код модели: VN1500-R1  •  Объем двигателя: 1500
Запчасти для мотоциклов Kawasaki VN1500 Vulcan 1500 Drifter
Выбирайте узел вашей техники:


{modalWnd}