OEM ЗАПЧАСТИ

  info@automotohub.ru   8 (916) 294-84-77
  О Компании   Оплата и Доставка   Помощь   Обратная связь

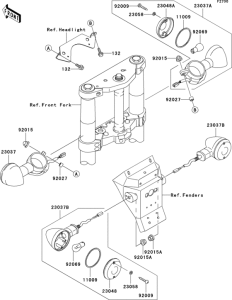
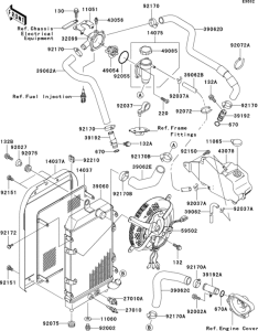
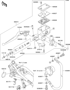
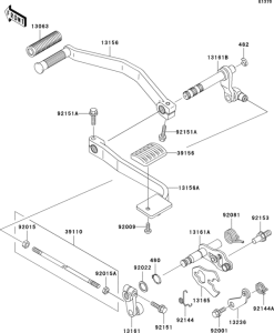
Запчасти для мотоциклов Kawasaki VN1500 Mean Streak

Год: 2002  •  Код модели: VN1500-P1H  •  Объем двигателя: 1500
Запчасти для мотоциклов Kawasaki  VN1500 Mean Streak
Выбирайте узел вашей техники:


{modalWnd}