OEM ЗАПЧАСТИ

  info@automotohub.ru   8 (916) 294-84-77
  О Компании   Оплата и Доставка   Помощь   Обратная связь

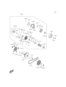
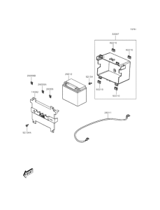
Запчасти для мотоциклов Kawasaki SC300 J300

Год: 2014  •  Код модели: SC300AEFA  •  Объем двигателя: 300
Запчасти для мотоциклов Kawasaki SC300 J300
{modalWnd}