OEM ЗАПЧАСТИ

  info@automotohub.ru   8 (916) 294-84-77
  О Компании   Оплата и Доставка   Помощь   Обратная связь

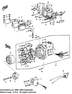
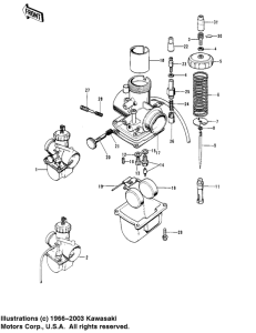
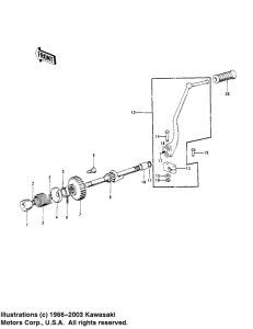
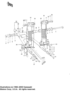
Запчасти для мотоциклов Kawasaki H2 Mach IV

Год: 1972  •  Код модели: H2  •  Объем двигателя: 750
Запчасти для мотоциклов Kawasaki  H2 Mach IV
{modalWnd}