OEM ЗАПЧАСТИ

  info@automotohub.ru   8 (916) 294-84-77
  О Компании   Оплата и Доставка   Помощь   Обратная связь

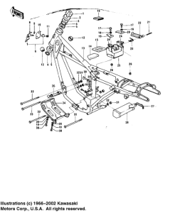
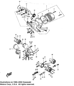
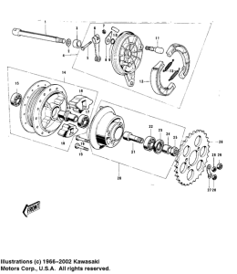
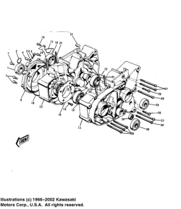
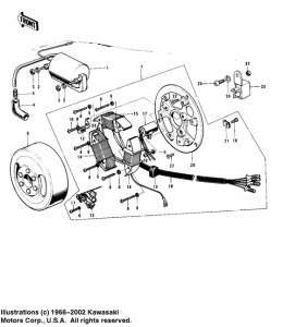
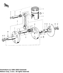
Запчасти для мотоциклов Kawasaki G5

Год: 1974  •  Код модели: G5  •  Объем двигателя: 100
Запчасти для мотоциклов Kawasaki  G5
Выбирайте узел вашей техники:


{modalWnd}