OEM ЗАПЧАСТИ

  info@automotohub.ru   8 (916) 294-84-77
  О Компании   Оплата и Доставка   Помощь   Обратная связь

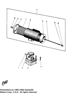
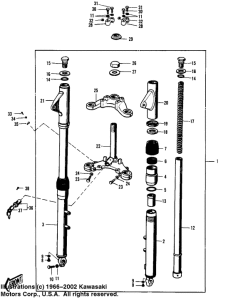
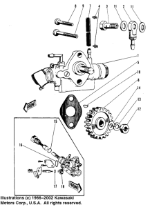
Запчасти для мотоциклов Kawasaki F3 Bushwhacker

Год: 1970  •  Код модели: F3  •  Объем двигателя: 175
Запчасти для мотоциклов Kawasaki  F3 Bushwhacker
{modalWnd}