OEM ЗАПЧАСТИ

  info@automotohub.ru   8 (916) 294-84-77
  О Компании   Оплата и Доставка   Помощь   Обратная связь

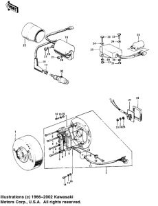
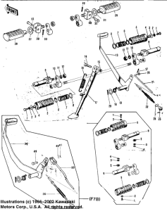
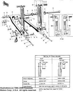
Запчасти для мотоциклов Kawasaki F7 Dual Sport

Год: 1972  •  Код модели: F7-A  •  Объем двигателя: 175
Запчасти для мотоциклов Kawasaki  F7 Dual Sport
{modalWnd}