OEM ЗАПЧАСТИ

  info@automotohub.ru   8 (916) 294-84-77
  О Компании   Оплата и Доставка   Помощь   Обратная связь

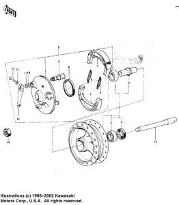
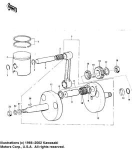
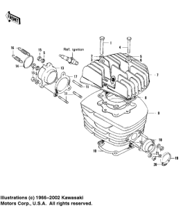
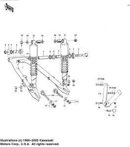
Запчасти для мотоциклов Kawasaki F11

Год: 1973  •  Код модели: F11M  •  Объем двигателя: 250
Запчасти для мотоциклов Kawasaki  F11
{modalWnd}