OEM ЗАПЧАСТИ

  info@automotohub.ru   8 (916) 294-84-77
  О Компании   Оплата и Доставка   Помощь   Обратная связь

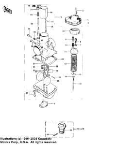
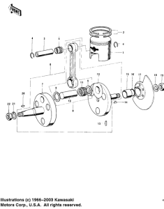
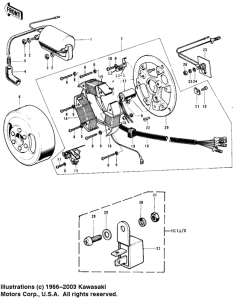
Запчасти для мотоциклов Kawasaki MC1

Год: 1975  •  Код модели: MC1-B  •  Объем двигателя: 90
Запчасти для мотоциклов Kawasaki MC1
{modalWnd}