OEM ЗАПЧАСТИ

  info@automotohub.ru   8 (916) 294-84-77
  О Компании   Оплата и Доставка   Помощь   Обратная связь

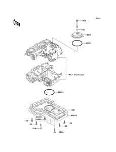
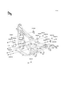
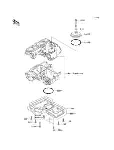
Запчасти для мотоциклов Kawasaki KZ1000 Police

Год: 2005  •  Код модели: KZ1000-P24  •  Объем двигателя: 1000
Запчасти для мотоциклов Kawasaki KZ1000 Police
Выбирайте узел вашей техники:


{modalWnd}