OEM ЗАПЧАСТИ

  info@automotohub.ru   8 (916) 294-84-77
  О Компании   Оплата и Доставка   Помощь   Обратная связь

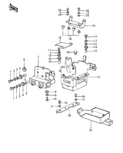
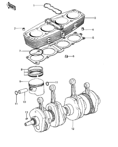
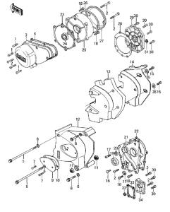
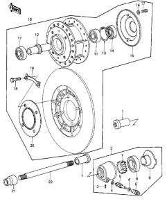
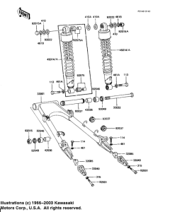
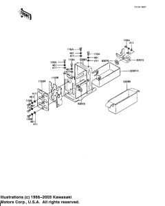
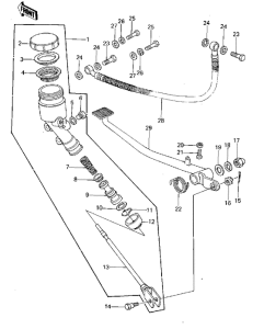
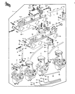
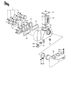
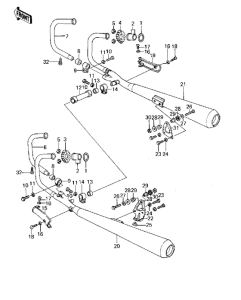
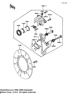
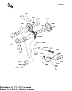
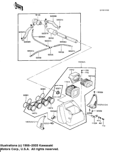
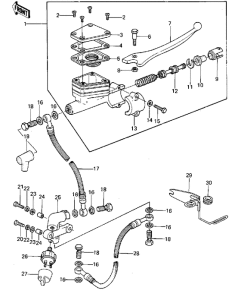
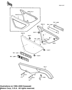
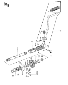
Запчасти для мотоциклов Kawasaki KZ1000

Год: 1977  •  Код модели: KZ1000-A1  •  Объем двигателя: 1000
Запчасти для мотоциклов Kawasaki  KZ1000
Выбирайте узел вашей техники:


{modalWnd}