OEM ЗАПЧАСТИ

  info@automotohub.ru   8 (916) 294-84-77
  О Компании   Оплата и Доставка   Помощь   Обратная связь

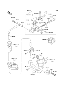
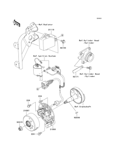
Запчасти для мотоциклов Kawasaki KX85-II

Год: 2008  •  Код модели: KX85B8F  •  Объем двигателя: 85
Запчасти для мотоциклов Kawasaki  KX85-II
Выбирайте узел вашей техники:


{modalWnd}