OEM ЗАПЧАСТИ

  info@automotohub.ru   8 (916) 294-84-77
  О Компании   Оплата и Доставка   Помощь   Обратная связь

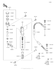
Запчасти для мотоциклов Kawasaki KX85

Год: 2018  •  Код модели: KX85CJF  •  Объем двигателя: 85
Запчасти для мотоциклов Kawasaki  KX85
Выбирайте узел вашей техники:


{modalWnd}