OEM ЗАПЧАСТИ

  info@automotohub.ru   8 (916) 294-84-77
  О Компании   Оплата и Доставка   Помощь   Обратная связь

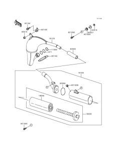
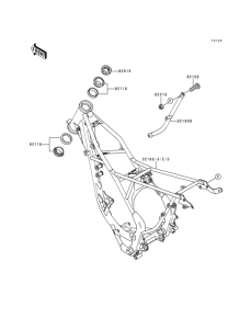
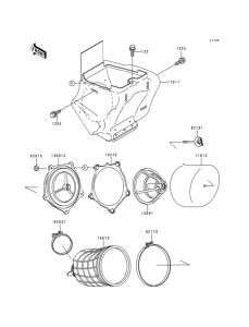
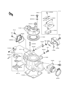
Запчасти для мотоциклов Kawasaki KX80-II

Год: 1998  •  Код модели: KX80-X1  •  Объем двигателя: 80
Запчасти для мотоциклов Kawasaki  KX80-II
Выбирайте узел вашей техники:


{modalWnd}