OEM ЗАПЧАСТИ

  info@automotohub.ru   8 (916) 294-84-77
  О Компании   Оплата и Доставка   Помощь   Обратная связь

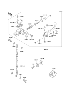
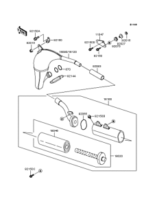
Запчасти для мотоциклов Kawasaki KX80 Big Wheel

Год: 1997  •  Код модели: KX80-T7  •  Объем двигателя: 80
Запчасти для мотоциклов Kawasaki  KX80 Big Wheel
Выбирайте узел вашей техники:


{modalWnd}