OEM ЗАПЧАСТИ

  info@automotohub.ru   8 (916) 294-84-77
  О Компании   Оплата и Доставка   Помощь   Обратная связь

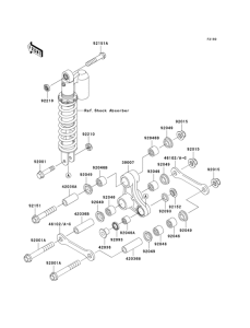
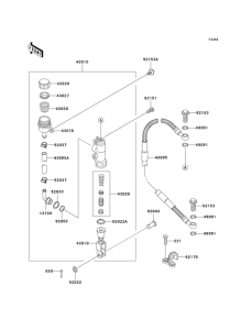
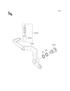
Запчасти для мотоциклов Kawasaki KX65

Год: 2007  •  Код модели: KX65A7F  •  Объем двигателя: 65
Запчасти для мотоциклов Kawasaki KX65
Выбирайте узел вашей техники:


{modalWnd}